• k8凯发国际

    技术支持Technical Support
    k8凯发国际 > 技术支持 > 解决方案 > k8凯发国际IPM模块在电机控制器的应用方案
    k8凯发国际IPM模块在电机控制器的应用方案
    k8凯发国际半导体 k8凯发国际半导体|http://www.cits618.com Loading... 2021-02-23

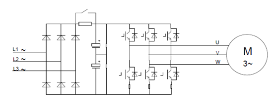
    IGBT单管的装配方式、绝缘要求处理、散热方式等问题为都比较难处理的,k8凯发国际给予一种集成电源+功率模组的应用方案,体积小,功能齐全的应用方案。该方案集成IPM、整流桥、母线电压采样电路、相电压采样电路、电流采样、预充电路、继电器输出、电源电路。

    整机图

    控制器基本参数



    分类

    技术指标

    规格参数

     

     

     

    电控

    参数

    功能状态

    三相逆变输出

    高压输入电压范围

    AC300V~450V

    低压输入电压

    0-10V

    输出额定功率

    1500W

    驱动方式

    PWM

    带电部分与散热器绝缘

    2500Vac

    冷却方式

    自然冷却

    尺寸(长*宽*高

    137mm*105mm*70mm


    整机拓扑




    连接端子定义




    端子

    信号

    信号功能说明

    信号功能说明

    1

    W

    电机W相输出

     

     

     

    高压端子

     

    2

    V

    电机V相输出

    3

    U

    电机U相输出

    4

    L1

    三相研讨电源L1输入

    5

    L2

    三相研讨电源L2输入

    6

    L3

    三相研讨电源L3输入

    7

    接大地端

    接大地端

    1

    K1

    继电器输出端

     

    通讯/继电器端子

    2

    K2

    继电器输出端

    3

    485B

    485通讯信号B+

    4

    485A

    485通讯信号A-

    5

    A/D

    调速信号输入+

    6

    GND

    调速信号输入-


    方案使用功率器件参数介绍



    XNS10S12FT 格参数如下:

    XNS10S12FT.pdf

    推荐应用原理:



    XNDS5016格参数如下:

    XNDS50xx.pdf


       
    方案更多详细资料请联系:

            地点:深圳市龙岗区宝龙街道宝荷大道76号智慧家园2栋B座13楼

            电话:0755-89890048

            邮箱:service@cits618.com

    分享到
    返回
    上一篇:k8凯发国际产品在工业风机上的应用
    下一篇:k8凯发国际半导体PQFN产品在风筒上的应用
    相关方案